2000 Chrysler Sebring Convertible Engine Diagram Got A 2000

Mr. Chet Kutch PhD

2000 Chrysler Sebring Convertible Engine Diagram Got A 2000

2000 chrysler sebring jxi convertible engine photos 2000 chrysler sebring jxi convertible engine photos System diagrams — 2000 chrysler sebring convertible v6-2.5l vin h 2000 chrysler sebring convertible engine diagram

2000 Chrysler Sebring JXi Convertible 2.5 Liter SOHC 24-Valve V6 Engine

Engine mounts 2008 chrysler sebring convertible wiring diagrams Exploring the layout of parts in a 2000 chrysler sebring convertible: a ...

2000 chrysler sebring convertible motor and weatherstrip.

System schematics — 2000 chrysler sebring convertible v6-2.5l vin h ...Camshaft & valves engine mounts2000 chrysler sebring convertible parts diagram.

Where is the fuel pump located in a 2000 chrysler sebring convertible?10 steps to troubleshoot your 2000 chrysler sebring convertible fuse System diagrams — 2000 chrysler sebring convertible v6-2.5l vin h ...Exploring the layout of parts in a 2000 chrysler sebring convertible: a ....

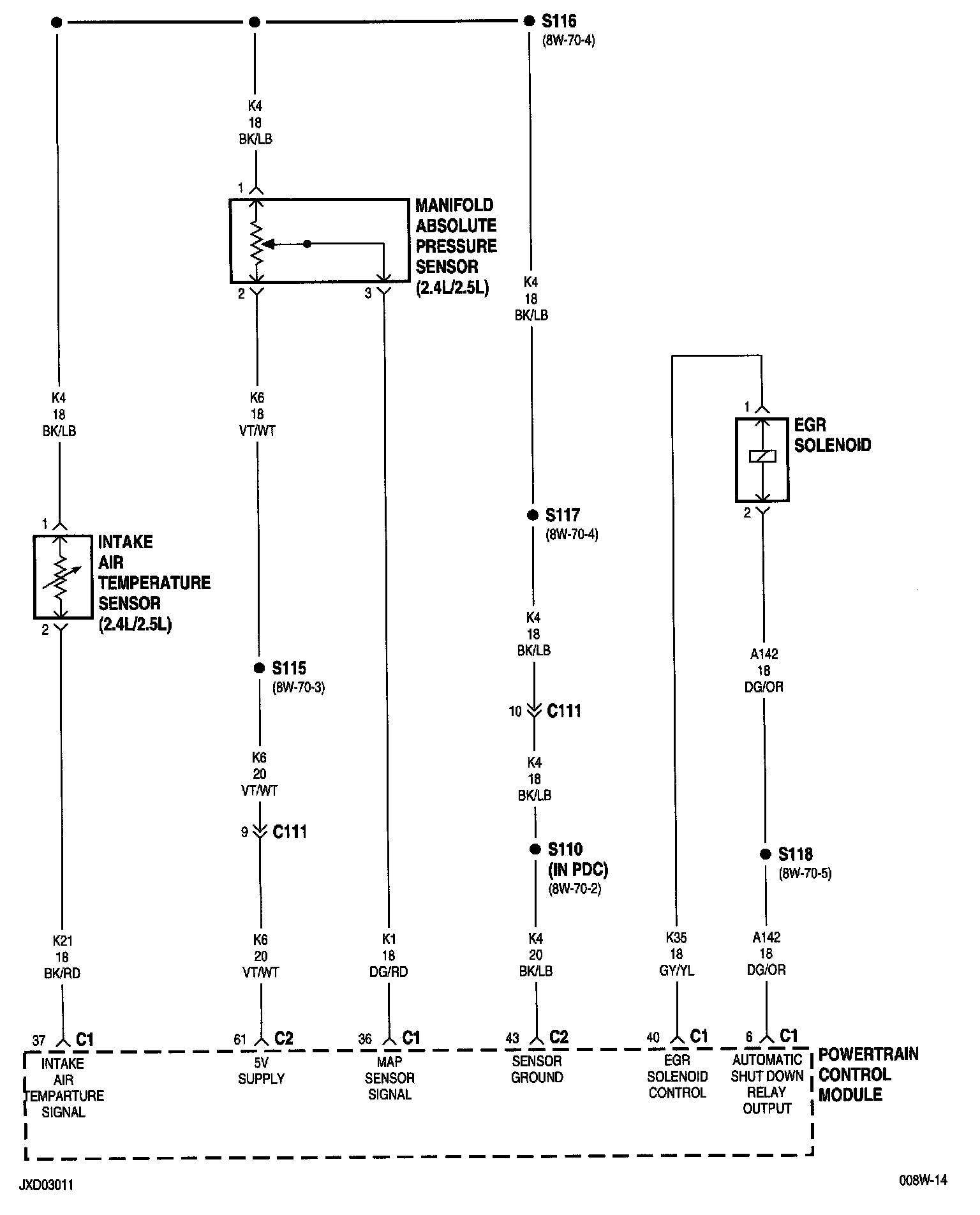
System Diagrams — 2000 Chrysler Sebring Convertible V6-2.5L VIN H
System Diagrams — 2000 Chrysler Sebring Convertible V6-2.5L VIN H

System diagrams — 2000 chrysler sebring convertible v6-2.5l vin h

Exploring the layout of parts in a 2000 chrysler sebring convertible: aSystem diagrams — 2000 chrysler sebring convertible v6-2.5l vin h ... 2008 chrysler sebring convertible wiring diagramsChrysler sebring wiring diagram.

chrysler sebring valve. egr. iiemissions2000 chrysler sebring stud. m8x50. cylinder head, cylinder head (8x50 System schematics — 2000 chrysler sebring convertible v6-2.5l vin h2000 chrysler sebring convertible wiring schematic.

Exploring the Layout of Parts in a 2000 Chrysler Sebring Convertible: A
Exploring the Layout of Parts in a 2000 Chrysler Sebring Convertible: A

chrysler sebring wiring diagram

2000 chrysler sebring convertible parts diagram10 steps to troubleshoot your 2000 chrysler sebring convertible fuse ... Chrysler sebring valve. egr. iiemissions[diagram] chrysler sebring convertible engine diagram.

2000 chrysler sebring convertible 2.5l fi sohc 6cylSystem diagrams — 2000 chrysler sebring convertible v6-2.5l vin h ... 2.5 liter sohc 24-valve v6 engine for the 2000 chrysler sebring ...2000 chrysler sebring jx convertible engine photos.

Manifolds - Intake & Exhaust - 2000 Chrysler Sebring Convertible
Manifolds - Intake & Exhaust - 2000 Chrysler Sebring Convertible

[diagram] chrysler sebring convertible engine diagram

2000 chrysler sebring convertible parts diagramExploring the layout of parts in a 2000 chrysler sebring convertible: a ... Exploring the layout of parts in a 2000 chrysler sebring convertible: aIm working on a 2000 chysler sebring jxi conv. will not crank from key ....

Chrysler sebring wiring. engineIgnition system wiring diagram (1998-2000 2.5l v6 chrysler sebring) 2000 chrysler sebring jx convertible engine photos2000 chrysler sebring convertible motor and weatherstrip..

System Diagrams — 2000 Chrysler Sebring Convertible V6-2.5L VIN H
System Diagrams — 2000 Chrysler Sebring Convertible V6-2.5L VIN H

2000 chrysler sebring convertible parts diagram

2000 chrysler sebring jxi convertible 2.5 liter sohc 24-valve v6 engine2000 chrysler sebring stud. m8x50. cylinder head, cylinder head (8x50 ... 2000 chrysler sebring convertible 2.5l fi sohc 6cyl2000 chrysler 3 8 engine diagram.

chrysler sebring wiring. engine2000 chrysler sebring jxi convertible 2.5 liter sohc 24-valve v6 engine ... 2000 chrysler sebring convertible parts diagramSystem diagrams — 2000 chrysler sebring convertible v6-2.5l vin h.

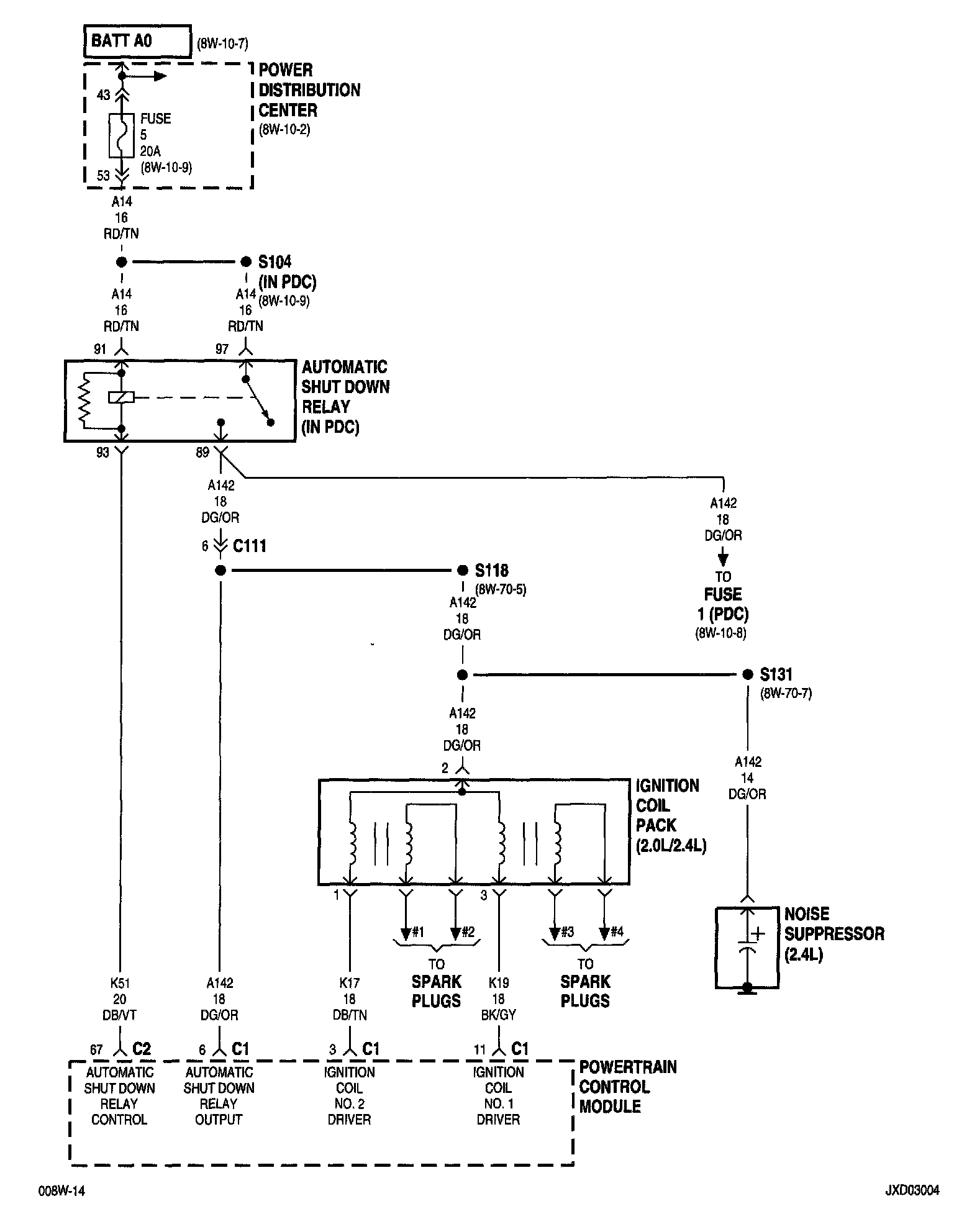
Chrysler Sebring Wiring Diagram
Chrysler Sebring Wiring Diagram

2.5 liter sohc 24-valve v6 engine for the 2000 chrysler sebring

Im working on a 2000 chysler sebring jxi conv. will not crank from keyCamshaft & valves Got a 2000 chrysler sebring conv. 2.5 l auto. 117k miles. quit running2000 chrysler 3 8 engine diagram.

2000 chrysler sebring convertible parts diagramGot a 2000 chrysler sebring conv. 2.5 l auto. 117k miles. quit running ... Ignition system wiring diagram (1998-2000 2.5l v6 chrysler sebring)2000 chrysler sebring convertible wiring schematic.

2000 Chrysler Sebring JXi Convertible 2.5 Liter SOHC 24-Valve V6 Engine
2000 Chrysler Sebring JXi Convertible 2.5 Liter SOHC 24-Valve V6 Engine

Visualizing the 2004 chrysler sebring engine: diagram and components ...

Where is the fuel pump located in a 2000 chrysler sebring convertible?Visualizing the 2004 chrysler sebring engine: diagram and components Exploring the layout of parts in a 2000 chrysler sebring convertible: a.

.

Where is the fuel pump located in a 2000 Chrysler Sebring convertible?
Where is the fuel pump located in a 2000 Chrysler Sebring convertible?
Got a 2000 Chrysler Sebring Conv. 2.5 L auto. 117K miles. quit running
Got a 2000 Chrysler Sebring Conv. 2.5 L auto. 117K miles. quit running
2008 Chrysler Sebring Convertible Wiring Diagrams - Wiring Diagram
2008 Chrysler Sebring Convertible Wiring Diagrams - Wiring Diagram
Engine Mounts - 2000 Chrysler Sebring Convertible
Engine Mounts - 2000 Chrysler Sebring Convertible
Im working on a 2000 Chysler sebring JXI conv. Will not crank from key
Im working on a 2000 Chysler sebring JXI conv. Will not crank from key
Chrysler Sebring Wiring. Engine - 05087158AH | Mopar Parts Overstock
Chrysler Sebring Wiring. Engine - 05087158AH | Mopar Parts Overstock

Related Post